YJD系列光電式傳感器
| 型 號 | 安裝方式 | 漫反射形 | 反饋反射形 | 對射形 | |||
| 直 流 型 DC |
N P N |
三 線 |
NO | YJD5-2Q18-D30-N1-2 | YJD6-2Q18-D2-N1-2 | YJD7-2Q18-D5-N1-2 | |
| NC | YJD5-2Q18-D30-N2-2 | YJD6-2Q18-D2-N2-2 | YJD7-2Q18-D5-N2-2 | ||||
| 四 線 |
NO+NC | YJD5-2Q18-D30-N-KB-2 | YJD6-2Q18-D2-N-KB-2 | YJD7-2Q18-D5-N-KB-2 | |||
| P N P |
三 線 |
NO | YJD5-2Q18-D30-P1-2 | YJD6-2Q18-D2-P1-2 | YJD7-2Q18-D5-P1-2 | ||
| NC | YJD5-2Q18-D30-P2-2 | YJD6-2Q18-D2-P2-2 | YJD7-2Q18-D5-P2-2 | ||||
| 四 線 |
NO+NC | YJD5-2Q18-D30-P-KB-2 | YJD6-2Q18-D2-P-KB-2 | YJD7-2Q18-D5-P-KB-2 | |||
| 二線 | NO | YJD5-2Q18-D30-1-2 | YJD6-2Q18-D2-1-2 | YJD7-2Q18-D5-1-2 | |||
| NC | YJD5-2Q18-D30-2-2 | YJD6-2Q18-D2-2-2 | YJD7-2Q18-D5-2-2 | ||||
| 交 流 型 AC |
二線 | NO | YJD5-2Q18-A30-1-2 | YJD6-2Q18-A2-1-2 | YJD7-2Q18-A5-1-2 | ||
| NC | YJD5-2Q18-A30-2-2 | YJD6-2Q18-A2-2-2 | YJD7-2Q18-A5-2-2 | ||||
| 檢側距離 | 30cm±15% | 2m±15% | 5m±15% | ||||
| 響應頻率 | 直流型:2.5ms,交流型:30ms | ||||||
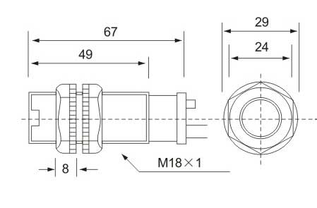
| 外形 尺寸 (mm) |
![]() | ||||||
上個產品:YJD系列光電式傳感器 下個產品:YJD系列光電式傳感器
ADD
溫州市洞頭區新城工業區騰飛路81弄8號
TEL
0577-63389898 63380898
FAX
0577-63387398
手機網站
Copyright (c) 2013-2021 溫州貝福電子科技有限公司 All Rights Reserved.


