YJD1系列電感式接近傳感器
| 型 號 | 安裝方式 | 非埋入式 | |||
| 直 流 型 DC |
N P N |
三 線 |
NO | YJD1-1E30-D10-N1 | |
| NC | YJD1-1E30-D10-N2 | ||||
| P N P |
三 線 |
NO | YJD1-1E30-D10-P1 | ||
| NC | YJD1-1E30-D10-P1 | ||||
| 二線 | NO | YJD1-1E30-D10-1 | |||
| NC | YJD1-1E30-D10-2 | ||||
| 交 流 型 AC |
二線 | NO | YJD1-1E30-A10-1 | ||
| NC | YJD1-1E30-A10-2 | ||||
| 檢側距離 | 10mm±15% | ||||
| 響應頻率 | DC | 0.2KHz | |||
| AC | |||||
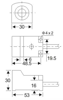
| 外形 尺寸 (mm) |
非 埋 入 式 |
![]() | |||
上個產品:YJD1系列電感式接近傳感器 下個產品:YJD1系列電感式接近傳感器
ADD
溫州市洞頭區新城工業區騰飛路81弄8號
TEL
0577-63389898 63380898
FAX
0577-63387398
手機網站
Copyright (c) 2013-2021 溫州貝福電子科技有限公司 All Rights Reserved.


